超低温ヒートポンプ蒸発システム
蒸発器は40Cで運転され、蒸留液中のCOD(化学的酸素要求量)を大幅に低減し...
クリックして表示
超低エネルギー消費
エネルギー消費は従来型設備の30~50%にとどまります。
低温蒸発
作動温度は30℃まで低減可能であり、熱に弱い成分を保護します。
環境にやさしくクリーン
ボイラからの排気ガスがなく、グリーン生産の要件を満たします。
インテリジェント制御
全自動で精密な調整が可能です。
コンパクト設計
モジュール設計により、設置面積が小さく済みます。
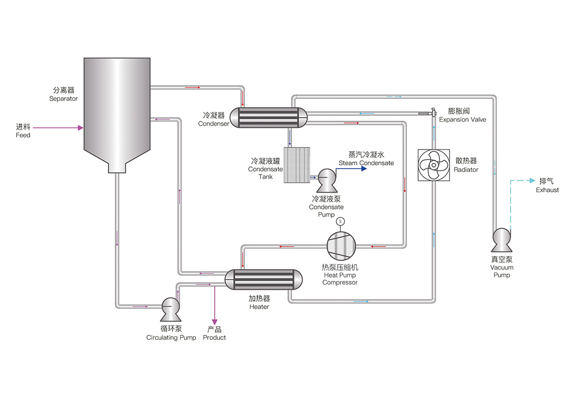
蒸発器、ヒートポンプ圧縮機、凝縮器、およびインテリジェント制御システムで構成されます。高効率熱交換器とヒートポンプユニットを採用し、熱エネルギーの循環を実現します。
原料液は予熱後、蒸発器へ送られます。低温条件下で蒸発し、二次蒸気が発生します。ヒートポンプ圧縮機は低温の二次蒸気を圧縮して昇温させ、高温熱源として再び蒸発器に送り、原料液の加熱に使用します。これにより、閉鎖式の熱エネルギー循環が形成されます。
蒸発過程中において、凝縮水は回収・再利用が可能であり、濃縮液はシステム底部から排出されます。本システムは、ヒートポンプ駆動に少量の電力を必要とするのみで、高効率な蒸発を実現し、エネルギー消費を大幅に低減します。
