● Consumo energético extremadamente bajo: El consumo es solo del 30%–50% del equipo tradicional.
● Evaporación a baja temperatura: La temperatura de trabajo puede ser tan baja como 30 °C, protegiendo componentes sensibles al calor.
● Respetuosa con el medio ambiente y limpia: Sin emisiones de gases de caldera, cumple con los requisitos de producción verde.
● Control inteligente: Regulación automática y precisa.
● Diseño compacto: Diseño modular, reducido espacio de instalación.
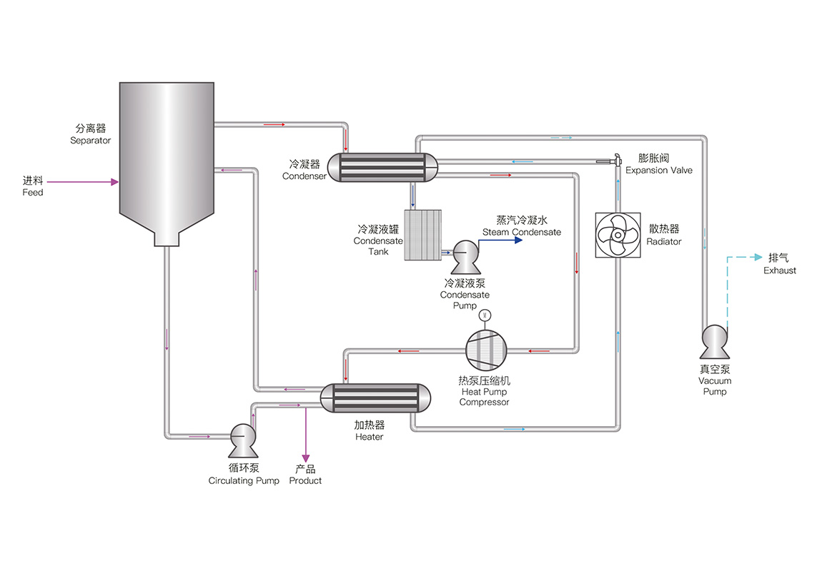
Compuesta por evaporador, compresor de bomba de calor, condensador y sistema de control inteligente. Utiliza intercambiadores de calor de alta eficiencia y unidades de bomba de calor para lograr el ciclo térmico.
El material, después de precalentado, ingresa al evaporador y se evapora a baja temperatura generando vapor secundario. El compresor de la bomba de calor comprime y eleva la temperatura de este vapor secundario, convirtiéndolo en fuente de calor de alta temperatura que se reenvía al evaporador para calentar el material, formando un ciclo térmico cerrado. Durante el proceso de evaporación, el agua condensada es recuperable y el licor concentrado se descarga por la parte inferior del sistema. Todo el sistema solo requiere una pequeña cantidad de energía eléctrica para accionar la bomba de calor, logrando una evaporación eficiente y reduciendo drásticamente el consumo energético.

Obtenga nuestro catálogo digital y descubra soluciones personalizadas para su industria.
Ver más

¡Solicite gratis soluciones sectoriales, simulaciones de procesos y casos de éxito!
Contáctenos ahora